SRF Gallerskopa 900 mm - 100 L - S30/180
Gallerskopa S30/180 100 L SRF
    Lägg till en bevakning så meddelar vi dig så snart varan är i lager igen.
SRF Gallerskopa 900 mm - 100 L - S30/180
                Gallerskopa S30/180 100 L SRF            
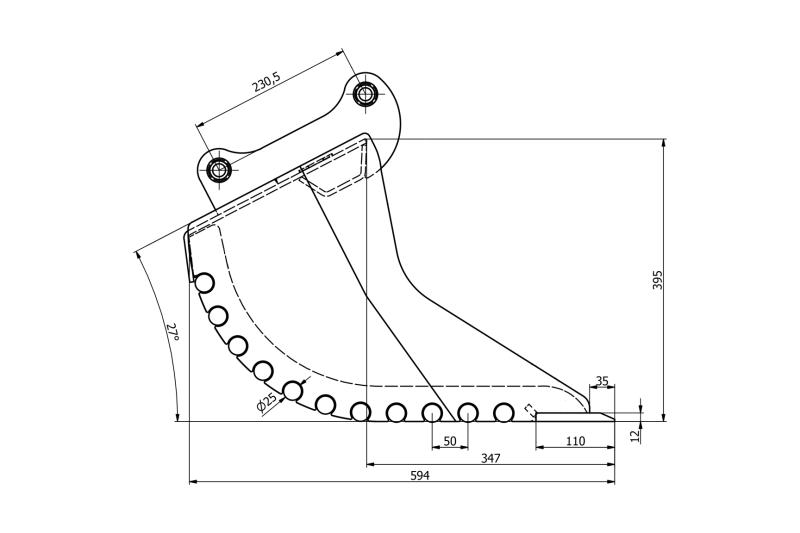
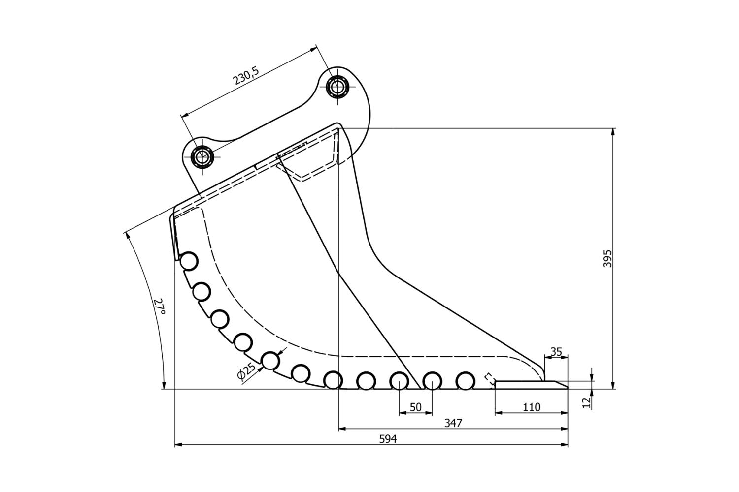
        GALLERSKOPA
Våran gallerskopa även kallad sorteringsskopa. Perfekt till dig som vill tex. sortera ut olika storlekar på stenar.
- Fäste: S30/180
 - Bredd: 900 mm
 - Volym: 100 liter
 - Axeldiameter sortering: 25 mm
 - CC axlar sortering: 50 mm
 - Genomsläpp sortering: 25 mm
 - Totaldjup: 594 mm
 - Vikt: 86 kg
 - Skärstål: 12 x 110 mm 500 Hb
 - Rekommenderad maskinvikt: 1,5 - 2 ton
 
